Z-LASER model Z80M18S3-F-660-lp45 Featured

Highlights
• Manual or fixed focus
• TTL modulation up to 500 kHz
• Analog intensity control
• Optical output power up to 120 mW
• Wavelengths from 520 - 685 nm
• Industrial standard
• IP67


Machine Vision,Triangulation Sensors,High-Precision Positioning Tasks,3D-Measurement 

System specifications
Wavelength nm  520 532 635-685
Wavelength tolerance nm (typical)   -5~+10 ± 1  ±10
Wavelength drift nm / K (typical)  0.06 0.06 0.25
Output power mW  ≤40  ≤40  ≤120
Electronic versions  B3  B, S3
Pointing Stability μrad / °C  <15
Long-term power stability (24h)  ±3 % over operating temperature range

Electrical specifications
Operating voltage  5 ~ 30 VDC
Operating current (max. at 25°C) <300 mA  <400 mA
Protection  Over temperature protection and LED pre-failure indicator, reverse polarity and transient protection (ESD, burst & surge)
Electrical isolation  Potential-free housing
Connection  4-pin M12 plug
Power consumption <2.7 W  <2 W

Optical specifications
Fan angles (1) Degrees 10°, 20°, 30°, 45°, 60°, 75°, 90° (homogeneous lines)
5°, 10°, 15°, 20°, 30°, 90° (Gaussian line profile)
20°, 30°, 110° (raster lens for homogeneous line profile)
Line straightness (2) % (of line length)  <0.05 %
Line uniformity (3) % (typical)  <25 %
Dot  Point elliptical, point circular
DOE  Multi line, crosses, grids, circle with dot, etc.
Focus range mm  100 mm up to 10.000 mm (or customized fixed focus available);
ZM18-B-532 >200 mm 

注:
(1) Line length / fan angle: 
at >13,5 % lmax
(2) Line straightness: 
Deviation from best fit line over the middle 80% of the line, for homogeneous lines
(3) Line uniformity: 
Maximum relative optical power variation over the middle 80% of the line, for homogeneous lines and fixed focus

Electronic versions
Available Wavelengths  532 520 635, 640  640-685
Digital modulation na na  na na   <500 kHz
Rise Time (Mod High => 90%) na na   <200 ns
Fall Time (Mod Low => 10%) na na   <100 ns
signal level na na   VIL_max: < +0,9 V
VIH_min: > +2,7 V
max. voltage range na na   0-30 VDC
Analog modulation na na   <10 Hz
active range na na   0-1 VDC
max. voltage range na na 0-30 VDC

Environmental conditions
Operating temperature (1) °C / °F  -10 °C to +50 °C / 14 °F to +122 °F
Storage temperature °C / °F  -40 °C to +85 °C / -40 °F to +185 °F
Humidity %  <90 %, non-condensing
Dissipated heat  <1 W

Mechanical specifications
  B3  S3
Weight g/lbs  75 g
45 g / 0.1lbs (532nm)
75 g / 0.17 lbs 85 g / 0.19 lbs
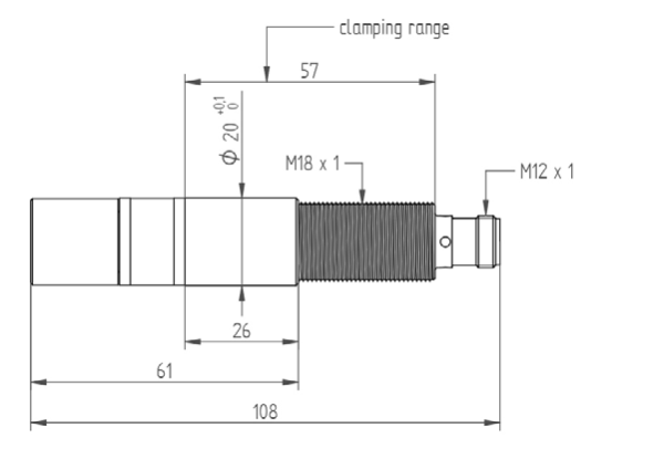
Length mm / in  108 mm / 4.25 in
136 mm (532nm)
108 mm
4.25 in
128 mm
5.04 in
Diameter head Ø mm / in  20 mm / 0.79 in
Material  Aluminium
Protection class  IP67

M12 4-pin: A-Coding Male Connector

According to IEC 61076-2-101
  • X 1.1:  5 - 30 VDC, 15 VA
  • X 1.2: Digital modulation TTL (only S3)
  • X 1.3: GND

Dimensions:

ZM18B Z M18B3
ZM18B Z M18B3

ZM18S3
ZM18S3

ZM18B-532
ZM18B 532

Additional Info

  • Area: Beijing
  • Price: 15000
  • Phone: 18519213808
  • Email: This email address is being protected from spambots. You need JavaScript enabled to view it.
Read 12498 times